前沿拓展:
故障现象:接通市电时,所有指示灯不停地闪烁,放上加热水壶,无法开机,所有按键失效,不能加热。
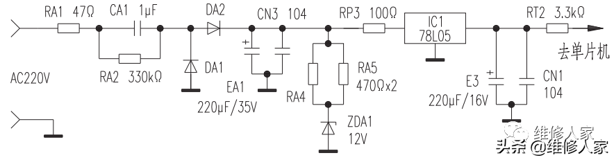
分析检修:根据现象判断,本故障应是电源工作不正常。首先,拆出电路板,观察该板上电源电路是属于电容降压型,并采用半波整流后滤波 ,然后经过ZDA1(12V)和IC1(78L05)稳压,获得5V电源电压,为单片机和指示灯显示供电,参见下附图。
测量IC1输出端电压仅2.6V左右,怀疑IC1损坏。正想更换IC1时想到,输入端电压是否正常呢?放下电烙铁,马上测量,显示为4V左右且不稳 定,从ZDA1稳压值(12V)看,IC1输入端电压应比12V高才对(因为它上面还串联着电阻),这显然是之前电路有问题。
故障处理:根据经验推测,怀疑故障可能是降压电容CA1容量不足所致。于是把CA1拆下来,用数字表测量其容量只有0.26μF(正常时为1μF),说明该电容已失效。找到一只CBB21(105/630V)电容更换 后通电,复位音正常,指示灯点亮,测量IC1输出端电压为5.03V(正常),把加热水壶装水放上去,按动各个按键,操作与显示都正常,并能正常加热,故障排除。
拓展知识:
标题:烧水壶不加热了怎么修(烧水壶不发热怎样修)
地址:http://www.cdaudi4s.com/kongdiao/weixiuzixun/56334.html


