前沿拓展:
新型液晶电视的背光源均采用LED。按理说,LED的寿命应很长,但实际损坏的较多,这主要是液晶电视空间小,LED散热受到影响,加之许多电视的 LED灯条的实际工作电流已接近灯珠的电流极限值,从而造成灯珠提早损坏。若要更换LED灯条或灯珠,必须先拆卸液晶屏,这样就存在较大的风险-碎屏。因此,如何正确地拆卸液晶显示屏就显得非常重要。
一、液晶屏的拆卸经验
由于液晶屏很薄又很脆,再加上在液晶屏的下方又有面板与边条的连接排线,所以在拆屏时稍不注意就会损坏液晶屏,并且液晶屏的尺寸越大这种风险也就越大。因此,在拆液晶屏时要倍加小心。
有的液晶屏是轻轻地放在散光板上的,它与散光板没有粘连,但有的液晶屏与散光板之间粘有胶条,即液晶屏与散光板粘在一起。拆卸后者时就要格外注意,不管有无专用工具,都要先将液晶屏与下面的散光板安全地分离,然后才可拆卸。在拆屏前,要先准备一些略硬一点的小纸条(约1cm)宽即可,可用复印纸来裁剪。然后用小改锥轻轻地将液晶屏的四个边一点一点地撬起来,与下面的胶条分开,随后把事先准备好的纸条一点一点地插进液晶屏与下面的胶条之间,让液晶屏与下面的胶条不再粘连。
接下来就是如何将屏提起并移走,这一步很关键,如果有专用的吸屏工具,就可以把吸扣均匀地吸在屏上面,靠这些吸扣的吸力把屏提起移走。如果没有专用的吸屏工具,也可以手工拆卸。
对于42 英寸以下的液晶屏,先从屏的上边(必须从屏的上边拆,因为下边有粘连,更不能从屏的两边提起,因为这样操作时屏中间区域下凹,易折断)—点一点地提起,然后将屏竖立起来,另一只手要做好保护,不让屏前后摆动。屏竖起来后,把用作保护的那只手放在屏的下边,这样一只手抓屏的上边,另一只手抓屏的下边(这时屏一定要竖立起来,不能平放),就可以把屏从电视上取下放到工作台上(桌子或床上)。放屏时,先放屏的下边(包括屏与边条的连接排线),再慢慢地把屏由竖立放成平铺。
对于大于42 英寸的液晶屏,最好用专用的吸扣拆卸工具。如果两个人能配合默契,也可以用上述的拆卸方法。但最好事先用硬塑料板(或木条,木条的上面必须用软布全部包起来,并且表面平整)做成一个“山”字形的架子,拆屏时随着屏的提起将架子从屏上边一点一点地轻轻插入,这样液晶屏就平放在这个简易工具上了,最后抬起架子移走液晶屏即可。
二、电路检修经验
1、灯珠的规格与更换
在背光源采用直下式的LED液晶彩电中,屏内底板上安装有几根相同或不同的灯条,每根灯条上有多只灯珠,每颗灯珠的上面粘装有一个小的散光镜片,将灯珠发出的光分散开来。
目前,常用的灯珠规格有:2835/3V/1W/300mA、2835/6V/1W/150mA、3030/3V/1W/300mA、3030/6V/1W/150mA、3535/3V/1W/300mA、3535/6V/1W/150mA,还有极少数3030/6V/2W/300mA等规格特殊灯珠。根据对上述灯珠结构分析与实验结果,发现2835、3030 和3535系列同规格灯珠可以相互代换。另外,2835系列灯珠的两个引脚外露(而3030系列和部分3535系列灯珠引脚没有外露部分),易于焊接。因此实修时手头备有2835/3V/1W/300mA 和2835/6V/1W/150mA两种灯珠即可。
在更换灯珠时,最好是把所有的灯珠都换掉,否则另外的灯珠易损坏而返修。实验发现,当LED灯珠Ac220v的工作电流约为灯珠额定电流的80%时,灯珠的亮度和正常时的亮度相近,但灯珠的发热量却能减少许多,因此在更换灯珠后可以把灯条的工作电流调低一些。
调整的方法也很简单:先在背光灯驱动板的上面找到几只并联的1Ω~3Ω电阻,调整这几只电阻的总阻值就可调整背光灯的工作电流。如果在驱动板上有功率型场效应管,那么接在它源极与地之间的几只电阻就是调整工作电流的。找到电流调整电阻后,先计算出这几只电阻的并联值,再用这个值乘以 1.25便是要调整后的总阻值。这个电阻值越大,背光灯的工作电流就越小。
例如海尔LS48H310G型液晶彩电(实测背光灯的电流为300mA),其背光驱动板上的功率场效应管Q302 和Q303的源极对地接有并联的2.2Ω、6.8Ω电阻,并联后的总阻值为1.66Ω乘以1.25得出的值是2.07Ω,于是将原机上的 2.2Ω电阻换成3Ω电阻(并联后的总阻值是2.08Ω),上电实测背光灯的电流降为240mA。
2、背光驱动电路的代换
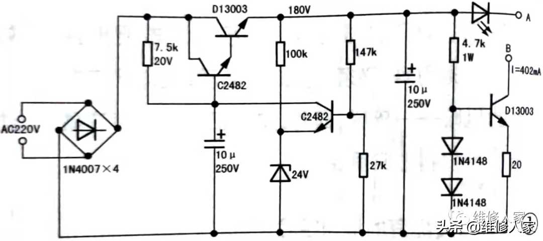
液晶电视背光的故障除了灯珠损坏外就是背光驱动电路损坏,而大部分电视的背光驱动电路和电源电路做在一起,再加上背光驱动电路所采用的结构各不相同,因此改动代换背光驱动电路也成为一种方法。代换板通常选用通用背光板,也可用家用照明灯中的恒流源来间接代换。原机背光驱动板的输出电压和电流是选择代换板的依据,而背光驱动板损坏后这两个值就无法测得,这时可自制背光灯测试电路(见下图)。
用万用表测每组背光灯的工作电压,从而估计出原背光驱动板的输出电压。一般液晶电视背光电路的输出电流多设定为灯珠的额定工作电流,也就是说输出电流多为150mA或者300mA。具体值可根据电视机的额定功率来确定。一般来说,液晶电视背光灯所消耗的功率约占电视机总功率的70%。据此估算出背光灯的总功率,再根据灯条结构算出每组灯条的功率。
具体方法如下:对于相同灯条组的来说,每组灯条的功率等于背光灯的总功率除以灯串数;对于不同灯条组的来说,就要按不同的比例把总功率分到每个灯条组上,最后用每组灯条的功率除以对应的灯条电压,即可得出该组灯条的电流值。
3、背光代换板的接线
对于有电源开关的电视机来说,可将背光代换板的AC220V输入线接在电源开关后;对于没有电源开关的电视机来说,可增加一个AC220V供电继电器,用原机的背光开/关信号来控制继电器。另外,大部分通用背光板的直流工作电压范围较宽(80V~300V),代换时可将该板的直流电压输入端接在原机的背光驱动电路的直流升压端,前提是原机的升压电路是正常的。
拓展知识:
标题:海尔挂式空调拆洗图解(海尔立式空调拆洗图解)_1
地址:http://www.cdaudi4s.com/kongdiao/weixiuzixun/108567.html


